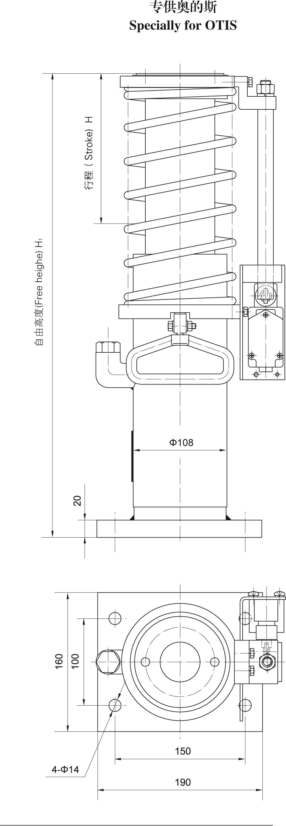
YH32~YH35 OIL Buffer
Brief Introduction
The oil buffers YH31 ~ YH40 are well sealed without any oil leakage, free of maintenance. They axe green products. These buffers are produced and tested completely in conformity with EN81-1 and have been certificated by BSI of England , CSA of America and NETEC of China.

Notes:Technical Specifications in the table
For details, call "86-316-2018793"
Information