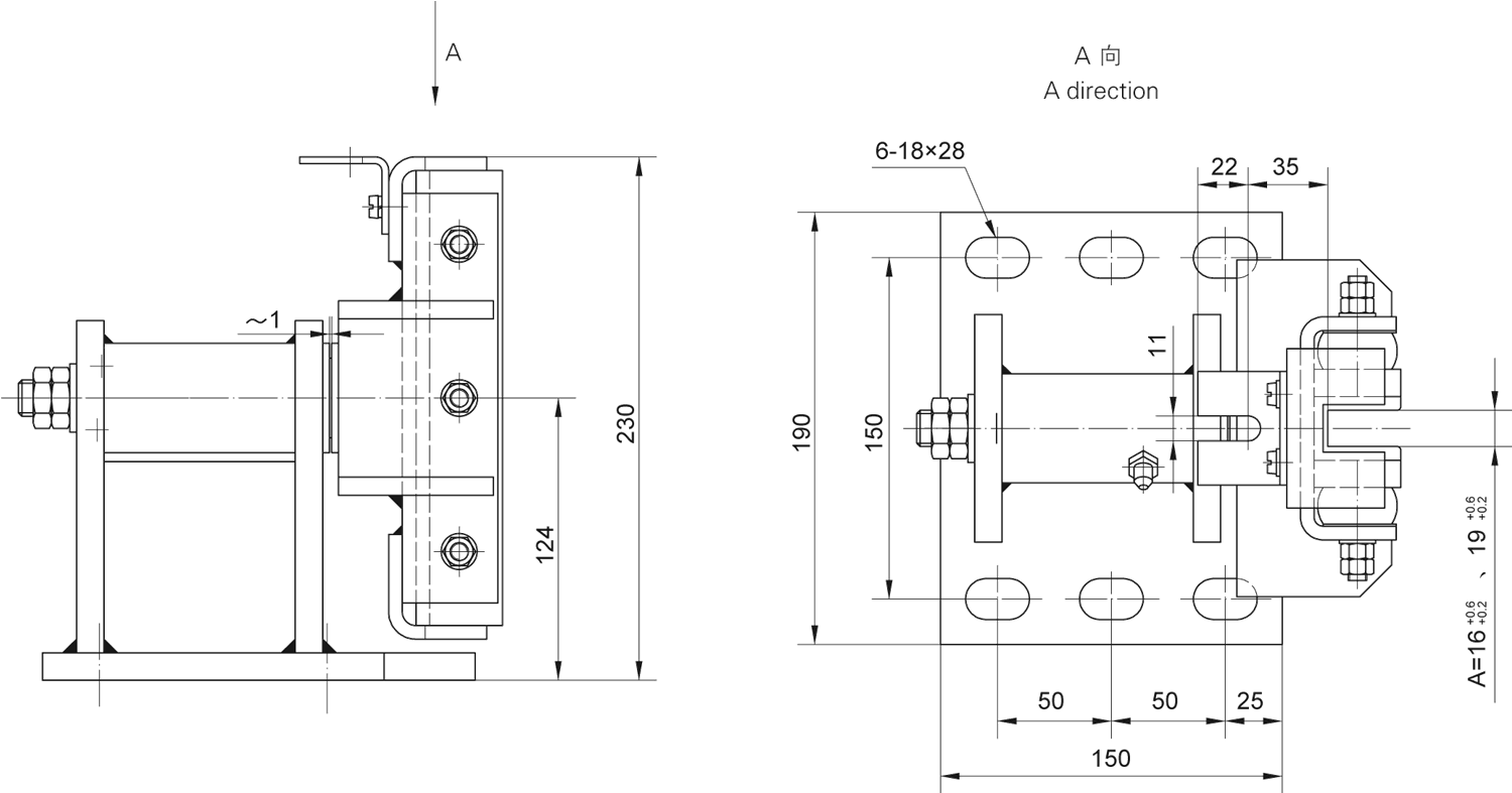
DX2A Sliding Guide Shoe
Technical Specifications
1.Rated Speed:V≤2.0m/s
2.Allowable gross mass:2000~4000kg
3.Pressure on the front surface of guide rail:2800N
Pressure on the side surface of guide rail:3800N
4.Width of guide rail:A=16mm.19mm
For details, call "86-316-2018793"
Information