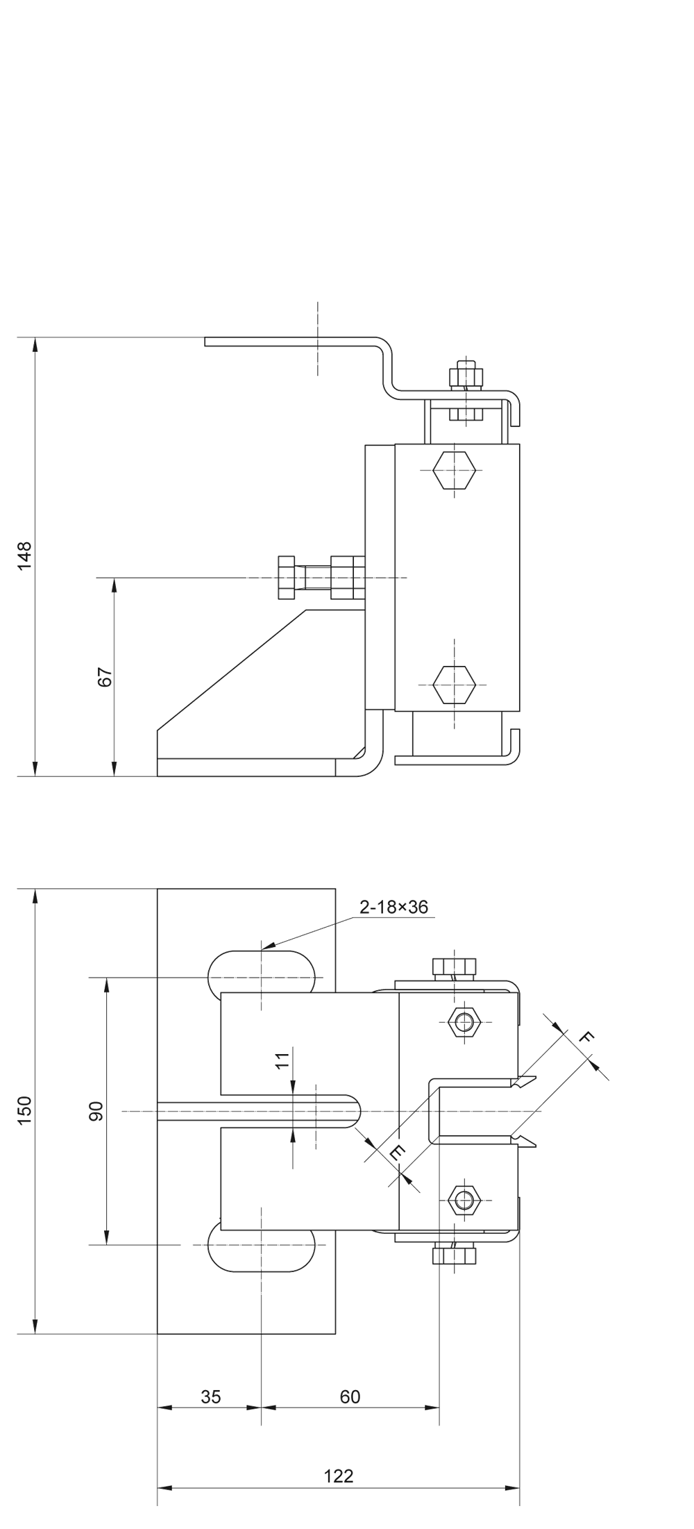
DX10A Sliding Guide Shoe
Technical Specifications
1.Rated Speed:V≤1.75m/s
2.Allowable gross mass:≤1250kg
3.Pressure on the front surface of guide rail:≤1000N
Pressure on the side surface of guide rail:≤650N
4.Width of guide rail:10.16mm
For details, call "86-316-2018793"
Information