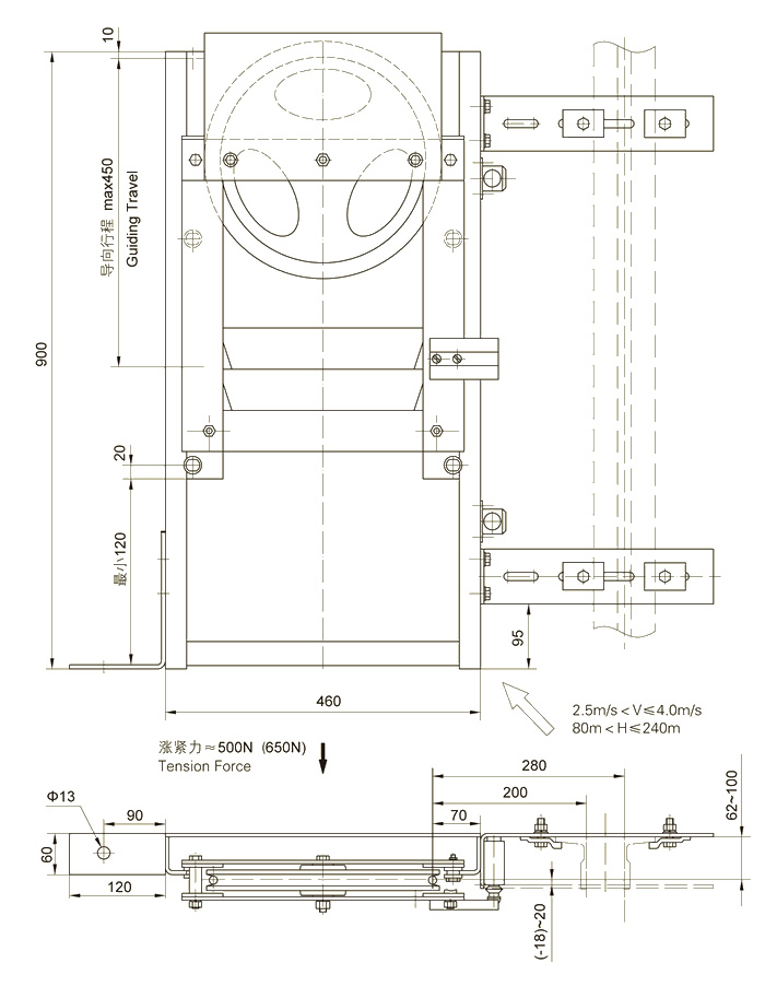
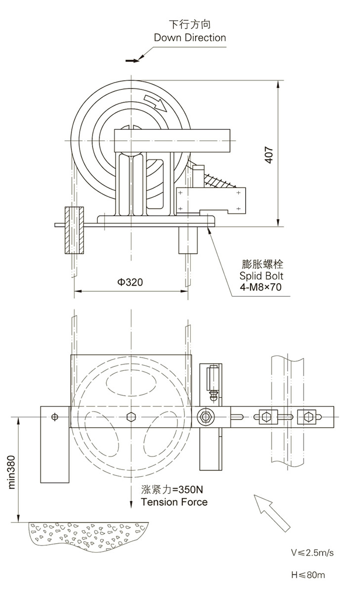
XS1 Speed Governor
1.Rated Speed:V:1.m/s-4.0m/s
2.Rope tension force:F:1000N-1500N
3.Rope Dia:Φ8mm
4.Sheave diameter:Φ320mm
5.Car Travel:
a)If Tensile for Tension Device is350N:H≤80m;
b)If Tensile for Tension Device is500N:80<H≤150m;
c)If Tensile for Tension Device is650N:150<H≤240m;
For details, call "86-316-2018793"
Information