XS20 Speed Governor
Technical parameters
1、Rated speedV:2.5-7.0m/s
2、Rope tension force:1500-3000N
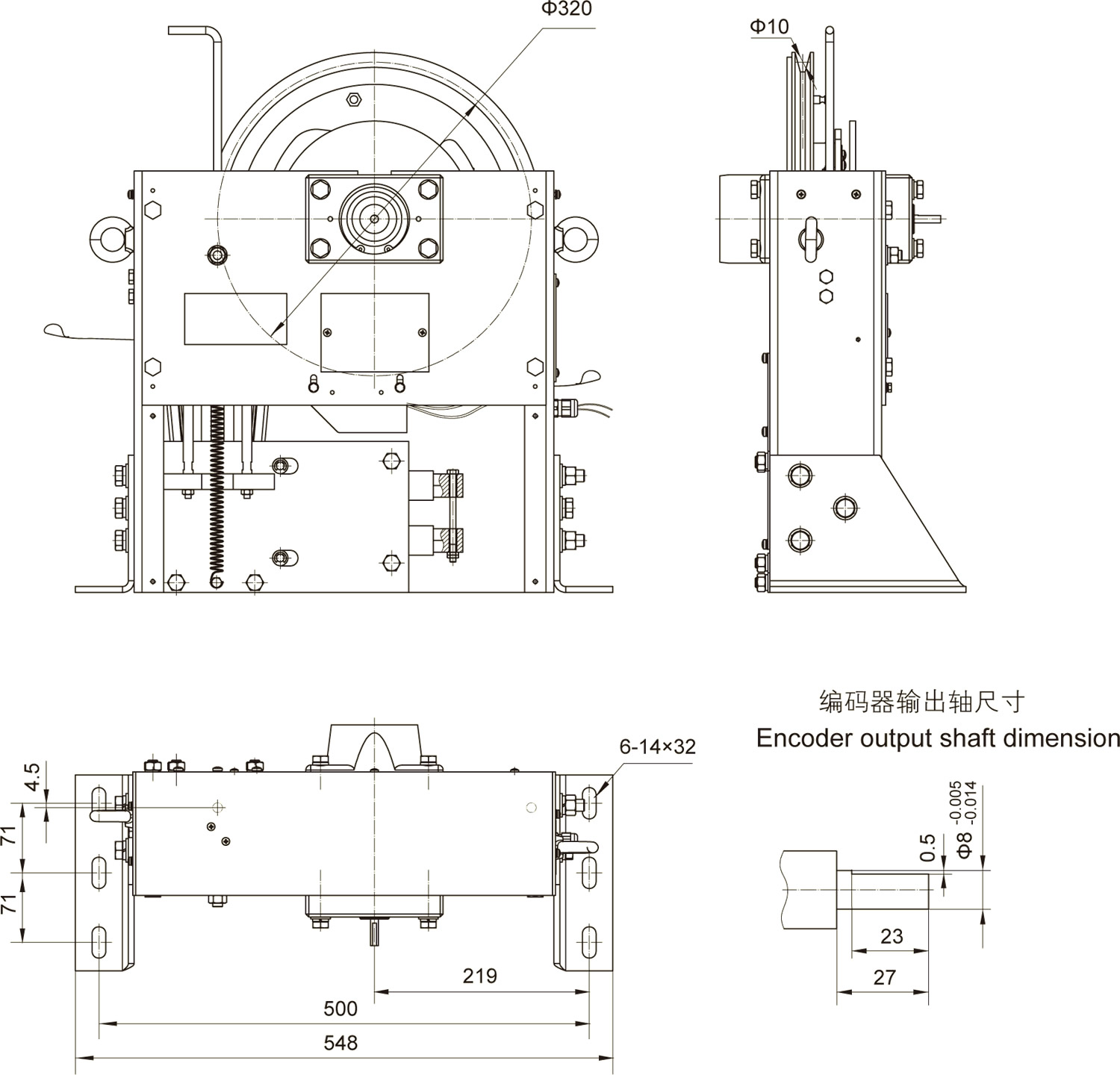
3、Rope diameter:Φ10mm
4、Sheave pitch diameter:Φ320mm
5、电梯提升高度:H≤400m
  Tension force of tension device is 1570N,the standard tension device is CZJ4
  (Note:The encoder and its coupling should be provided by users)
For details, call "86-316-2018793"
Information
XS20 Speed Governor

XS20 Speed Governor