XS3 Speed Governor
1.Rated Speed:V:0.5m/s-1.75m/s(CE)
0.25m/s-2.0m/s.2.5m/s(GB)
2.Rope tension force:F:800N-1500N
3.Rope Dia:Φ8mm
4.Sheave diameter:Φ241mm
5、CarTravel:
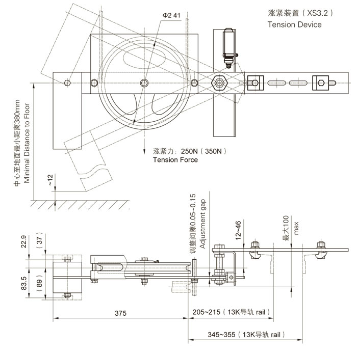
a)If tensile for tension device is 250N : H≤60m
b)If tensile for tension device is 350N : 60m < H ≤ 80m
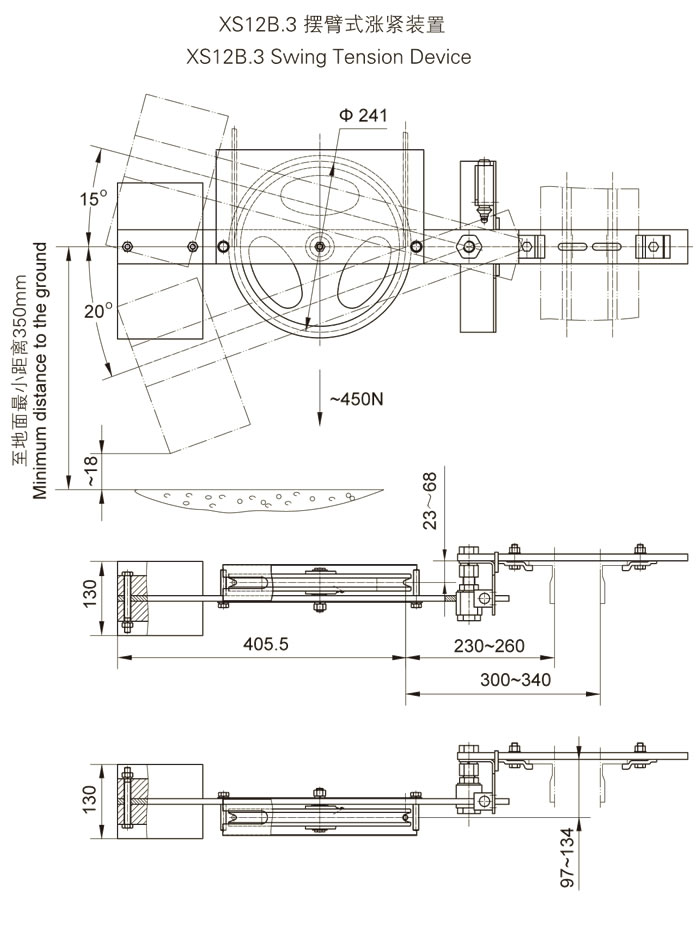
c)If tensile for tension device is 450N: 80m < H ≤ 120m
The tension device drawing No.is XS3.2 if tensile for tension device is 250N and 350N.
The tension device drawing No.is XS12B.3 if tensile for tension device is 450N.
Note: This speed governor has two types
a)Standard type without manual braking trigger equipmnent
b)With manval braking trigger equipmnent to choose
For details, call "86-316-2018793"
Information
1、额定速度:V:0.5m/s-1.75m/s(CE)
  0.25m/s-2.0m/s、2.5m/s(GB)
2、绳张力:F:800N-1500N
3、钢丝绳直径:Φ8mm
4、绳轮节圆直径:Φ241mm
5、提升高度H适应范围:
  a)张紧装置涨紧力250N:H≤60m;
  b)张紧装置涨紧力350N:60m<H≤80m;
  c)张紧装置涨紧力450N:80m<H≤120m;
  涨紧力250N和350N时张紧装置挺好XS3.2
  涨紧力450N时标配张紧装置土豪:XS12B.3

注意:本限速器分为两种形式:
  a)标配不带人为之动出发装置;
  b)选配带认为制动出发装置。