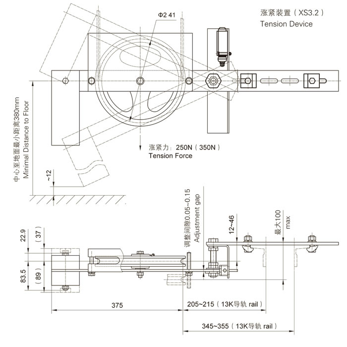
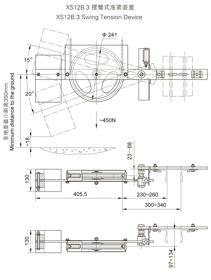
XS3-B Speed Governor
1.Rated Speed:V:0.5m/s-2.0m/s
2.Rope tension force:F:800N-1500N
3.Rope Dia:Φ8mm
4.Sheave diameter:Φ241mm
5.Car Travel:
a)If tensile for tension device is 350N : H ≤ 80m
b)If tensile for tension device is 450N : 80m < H ≤ 120m
The tension device drawing No.is XS3.2 if tensile for tension device is 350N.
The tension device drawing No.is XS12B.3 if tensile for tension device is 450N.
For details, call "86-316-2018793"
Information