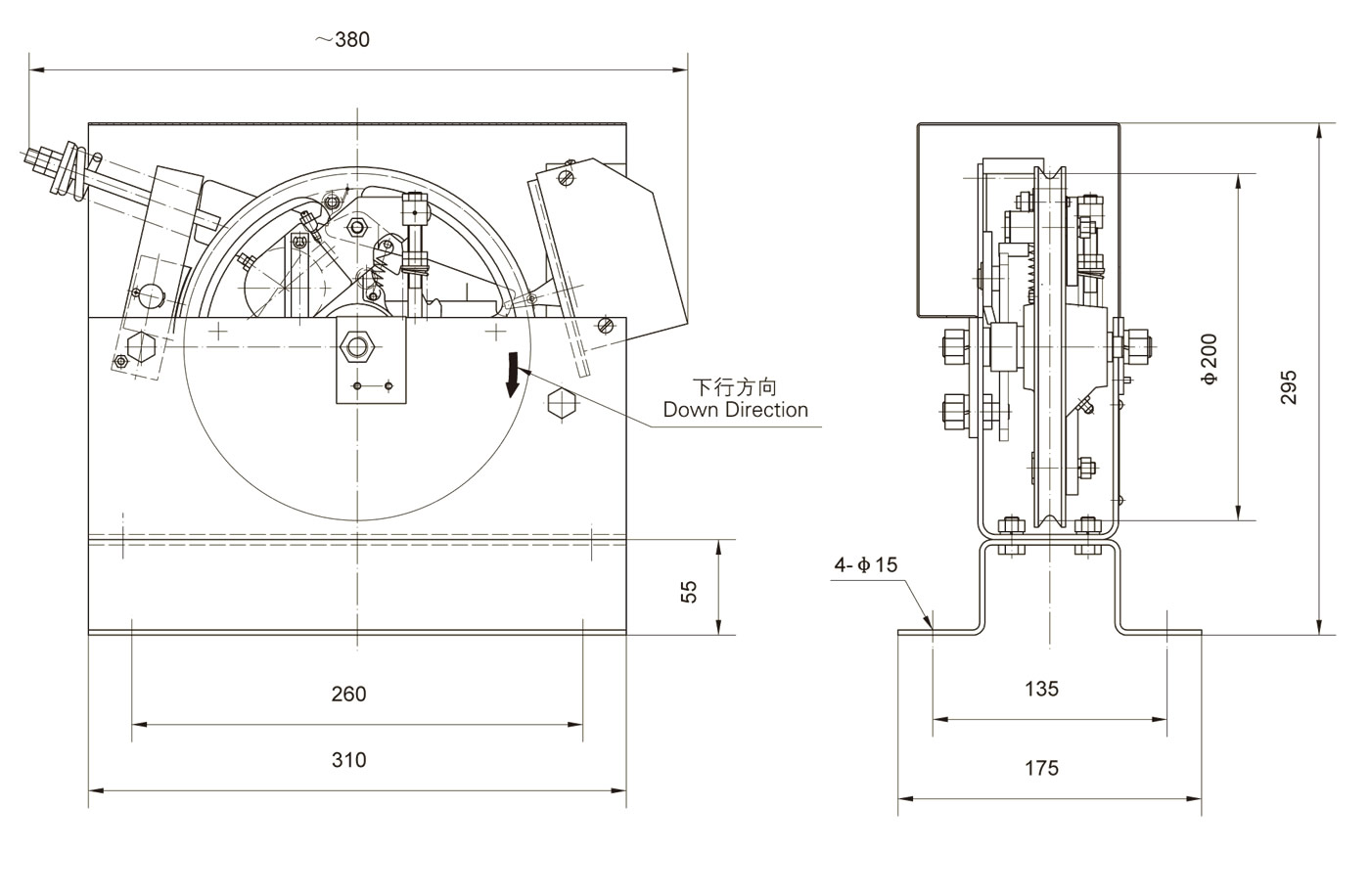
XS3C Speed Governor
1.Rated Speed:V:1.0m/s-1.75m/s
2.Rope tension force:F:800N≤F≤1500N
3.Rope Dia:Φ6mm
4.Sheave diameter:Φ200mm
5.Car Travel :H≤60m
Tension Device is :250N
Note :This speed governor has two types
a)Standard type without manual braking trigger equipmnent
b)With manval braking trigger equipmnent to choose
For details, call "86-316-2018793"
Information