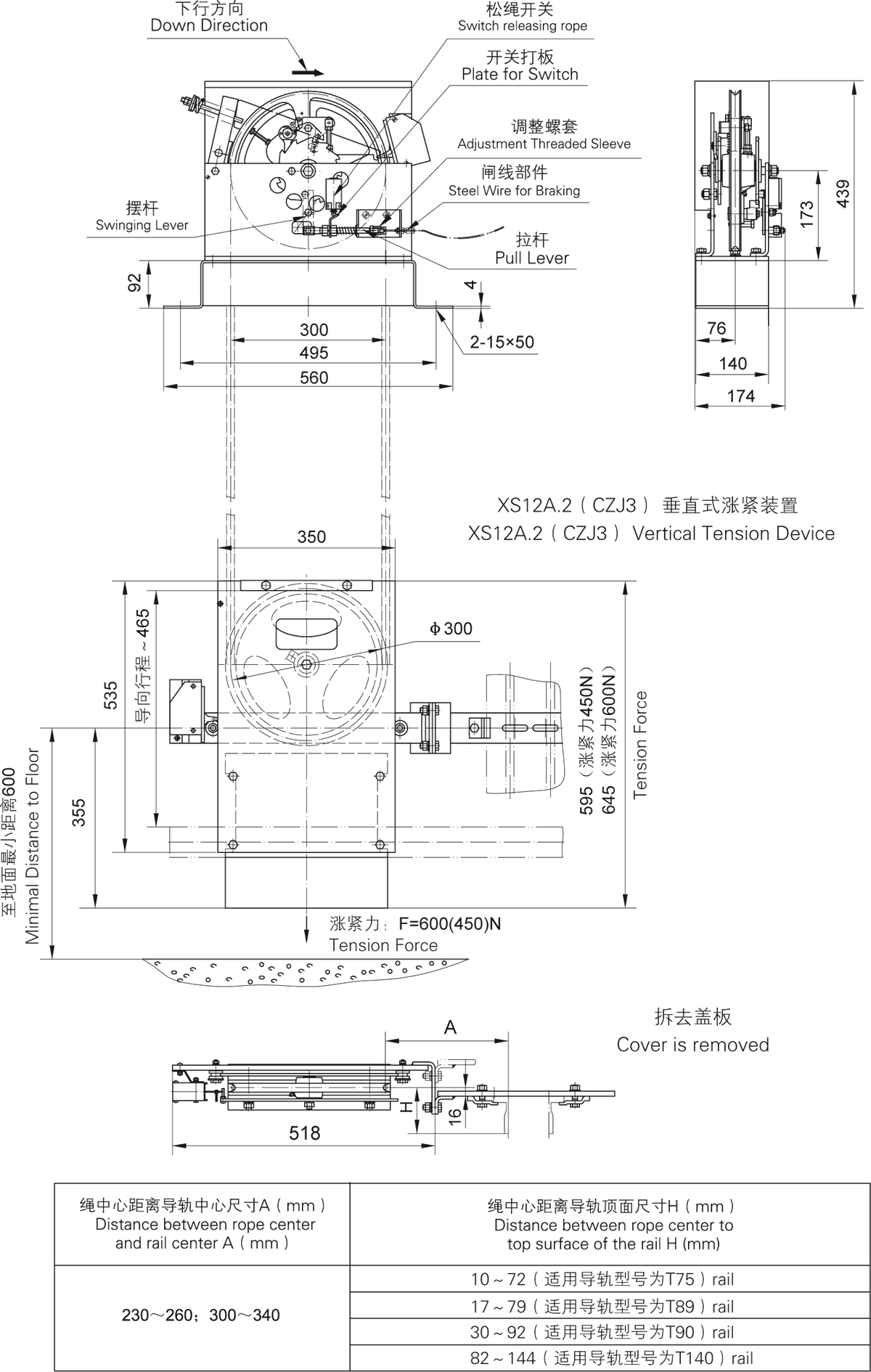
XS12A BI-Directional Speed Governor
1.Rated Speed:V=2.5m/s
2.Down Rope tension force:F:800N-1500N
Up Braking Steel Wire Tension Force:F≥240
3.Rope Dia:Φ8mm.Φ10mm
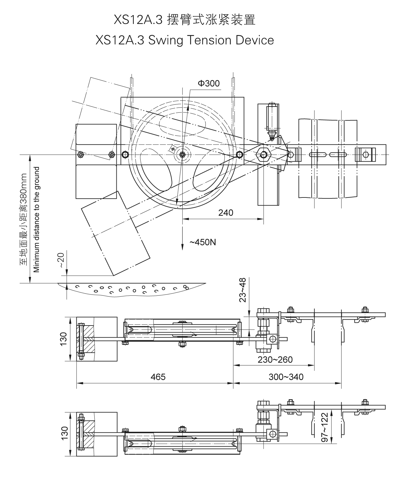
4.Sheave diameter:Φ300mm
5.Car Travel:
a)If Tensile for Tension Device is450N:H≤120m
b)If Tensile for Tension Device is600N:120m
For details, call "86-316-2018793"
Information
   This is a bi-directional over speed governor. Down braking is performed, with it cooporating with down tripping safety gear; Up braking is peformed with it cooperating with mechanical rope brake.Because the rope releasing device is used, the pulley of the governor is still able to rotate while rope brake is activated, so,the ascending car protection will be much more safe and reliable. This governor is simple in structure, easy to install and convenient to adjust.
The tension device falls into two types, vertical type and swinging type.