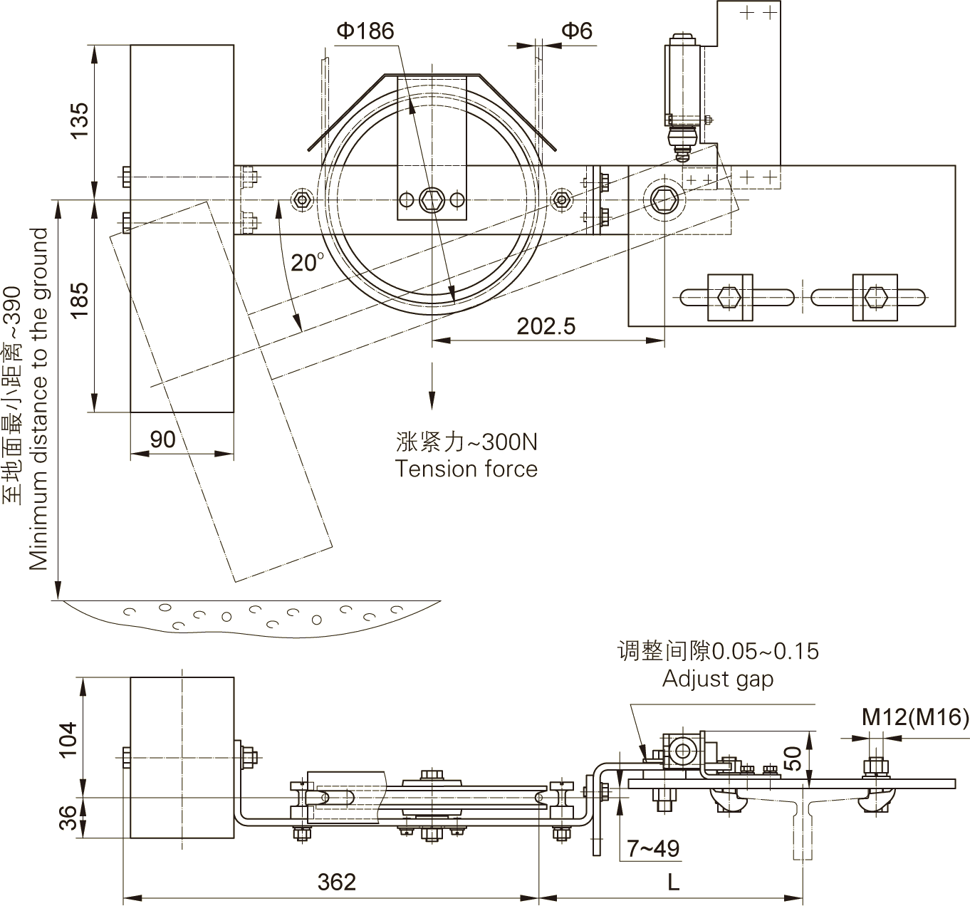
BZJ1F Tension Device
This tension device is swing arm type, and the weight is made of composite. Please refer to the table for the position dimension.
Note: When it is applicable to the guide rail T125/B、 T127-1/B、T127-2/B, T140-1/B,please mention the rail type on your PO.
For details, call "86-316-2018793"
Information