BZJ1D Tension Device,Swing Armtype For Counterweight
Technical Specifications
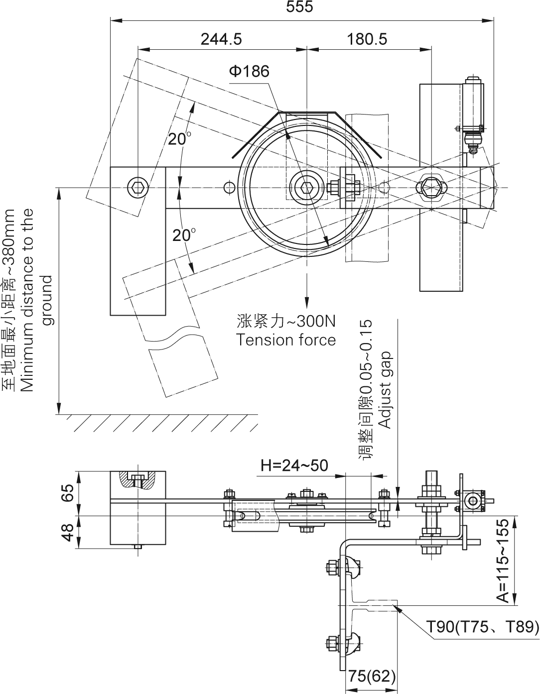
1.Sheave diameter:Φ186mm
2.Rope Dia:Φ6mm
3.Tension forc:300N
Note: When it is applicable to the guide rails,please mention the rail type and the value for A、H on your PO.
For details, call "86-316-2018793"
Information