中文
|
English
HOME
About
Brief Introduction
Honor
Environment
Cooperation
Products
Speed Governer
Tension Device
Braking Device
OIL Buffer
Rope Brake
Guide Shoe
News
Company News
Industry News
Video News
Download
Contact Us
Contact
Marketing Network
Service
Products
Speed Governer
Tension Device
Braking Device
OIL Buffer
Rope Brake
Guide Shoe
Login
|
Register
Tension Device
HOME
>
Products
>
Tension Device
>
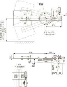
JZJ1 Tension Device For The House Elevator
Technical Specifications
1.Sheave diameter:Φ160mm
2.Rope Dia:Φ6mm
3.Tension forc:300N
For details, call "
86-316-2018793
"
Information