中文
|
English
HOME
About
Brief Introduction
Honor
Environment
Cooperation
Products
Speed Governer
Tension Device
Braking Device
OIL Buffer
Rope Brake
Guide Shoe
News
Company News
Industry News
Video News
Download
Contact Us
Contact
Marketing Network
Service
Products
Speed Governer
Tension Device
Braking Device
OIL Buffer
Rope Brake
Guide Shoe
Login
|
Register
Tension Device
HOME
>
Products
>
Tension Device
>
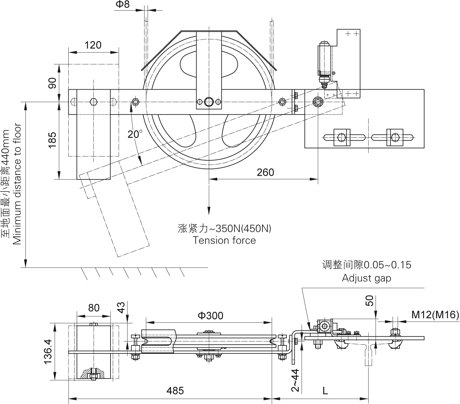
BZJ3 Tension Device
This tension device is swing arm type, and the weight is made of cast iron. Please refer to the table for the position dimension.
For details, call "
86-316-2018793
"
Information