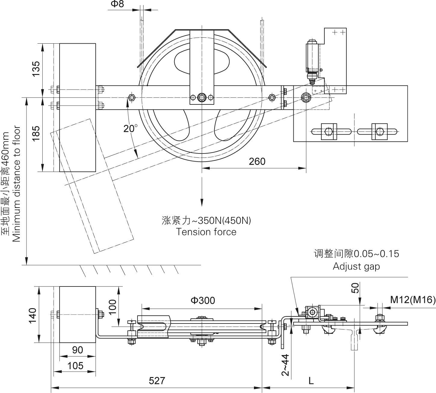
BZJ3F Tension Device
This tension device is swing arm type, the weight is composite material, Please refer to the table for the position dimension.
Notes: When it is applicable to the guide rail T125/B、T127-1/B、T127-2/B、T140-1/B or T140-1/B, please mention it on youur PO
For details, call "86-316-2018793"
Information