中文
|
English
HOME
About
Brief Introduction
Honor
Environment
Cooperation
Products
Speed Governer
Tension Device
Braking Device
OIL Buffer
Rope Brake
Guide Shoe
News
Company News
Industry News
Video News
Download
Contact Us
Contact
Marketing Network
Service
Products
Speed Governer
Tension Device
Braking Device
OIL Buffer
Rope Brake
Guide Shoe
Login
|
Register
Braking Device
HOME
>
Products
>
Braking Device
>
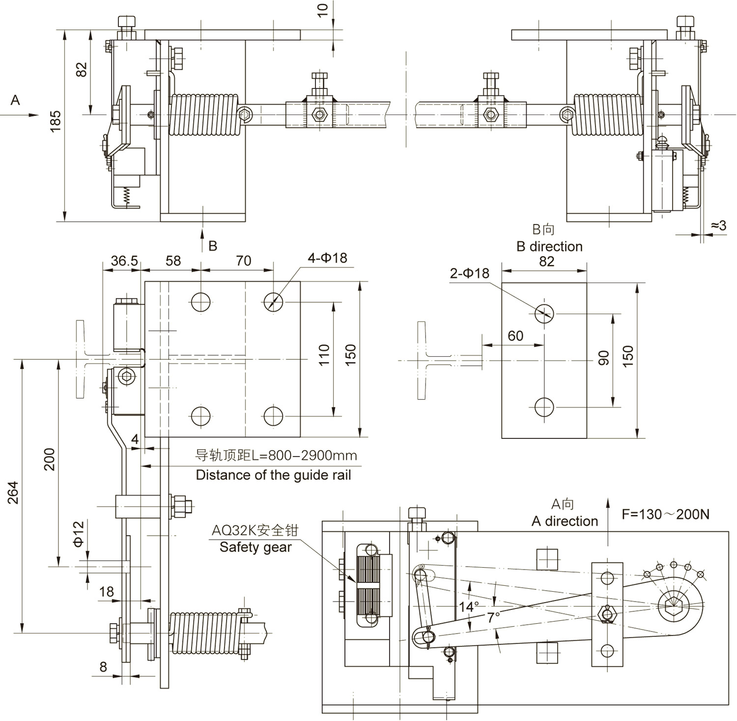
JXAQ32K Safety Brake Device
For details, call "
86-316-2018793
"
Information